【 G90 ・ G91 :位置指令方式 】  「モーダル」

G90 : アブソリュート (絶対値指令)
     「設定されている空間座標における座標値を指令する」



 G90 ;(アブソリュート)
   X10.0 ;(P0まで移動)
    X20.0 ;(P1まで移動)
    X30.0 ;(P2まで移動)






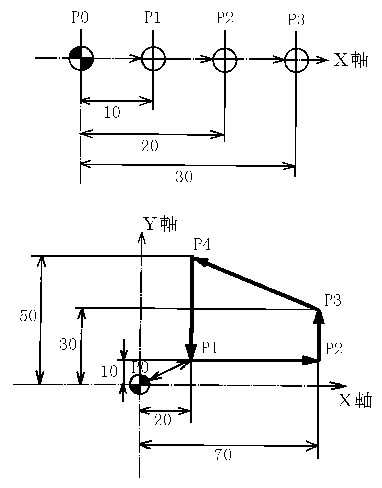
「プログラム指令例」
 G90 ;(アブソリュート)
   X20.0 Y10.0 ;(P1まで移動)
   X70.0 Y10.0 ;(P2まで移動)
   X20.0 Y30.0 ;(P3まで移動)
   X20.0 Y50.0 ;(P4まで移動)
   X20.0 Y10.0 ;(P1まで移動)
   X0.0  Y0.0  ;(P0まで移動)



G91 : インクリメンタル (増分値指令)
     「現在位置から次に移動する位置までの方向と距離を指令する」

「プログラム指令例(上記のG90と同内容)」
 G91 ;(インクリメンタル)
   X20.0  Y10.0  ;(P1まで移動)
   X50.0  Y0.0   ;(P2まで移動)
   X0.0    Y20.0  ;(P3まで移動)
   X-50.0  Y-20.0 ;(P4まで移動)
   X0.0   Y-40.0 ;(P1まで移動)
   X-20.0  Y-10.0 ;(P0まで移動)